MCM 170 Alpha One OA475152-08434940. However I was told that converting to say a 43L V6 is hardimpossible to do.
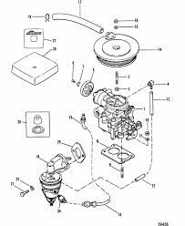
Cylinder head and rocker cover.
165 hp mercruiser 4 cylinder. Mercruiser 165 hp 4 cylinder I have this same engine in a 1988 Celebrity. Aside of the fact of dealing with som eoverheating issues. It has been a pretty good set of engines.
They do get hot tho. Im still dealing with an overheat issue on the port engine. I wish you luck.
I got my Tech Manual online. I search 1986-1994 Mercruiser Tech Manual. Find many great new used options and get the best deals for MerCruiser MCM 165 HP 4 Cylinder Motor Engine Marine Boat Closed Loop Cooling at the best.
Mercruiser Marine Engines 4-Cylinder Service Manual and workshop manual in a scanned-in PDF format. MCM 170 MR 6916779-0A475151. MCM 170 Alpha One OA475152-08434940.
MCM 165 Alpha One 08434941-0877 4251. MCM 37 Litre Alpha One 0877 4252 and Above. MCM 190 MR 6917368-0A475551.
165 hp - 37l170 hp180 hp-37 llx190 hp. Model version alpha assemblies. Carburetor and fuel pump165-170-37l.
Cylinder block oil pump and oil pan. Cylinder head and rocker cover. Parts for Mercruiser Sterndrive.
0 Sterndrive 1965-1966 110 GM 153 IL4 1963-1966 120 GM 153 IL4 1964-1972. 165 2 BBL MERCURY 224 IL4 1987 170 2 BBL MERCURY 224 IL4 1985-1986 180 4 BBL MERCURY 224 IL4 1987. Mercruiser 37L 4cyl 470 488 170 165hp Front Engine Mount 77877 Support Bracket.
Move your mouse over image or click to enlarge. Default Title - We are currently Sold Out of this item. -Free Shipping On ALL Orders-.
The model of Mercruiser 30L 4 Cylinder Engine can be determined by looking at the last letters of the engine code which is stamped in all complete Marine Longblocks by General Motors at the time of assembly. If the serial number andor model decals are missing the marine engine code will help to determine the engine model. Refer to the drawing for engine code location.
1986 SeaRay 20 Ft Cuddy Inline 6 cylinder Mercruiser 165 Hp Parts or hole. HP 64 Multi-Colour Ink X4D92AN140 - 2 Pack Best Buy 6499 opens in a new tab RYOBI 18V ONE HP Brushless Cordless Compact 4-Mode 38-inch Impact Wrench Kit with 15 Ah Battery and Charger. Im a little confused.
I thought the big 4-cyl Merc was a 170 hp. The 165 is an inline 6. If its the big 170hp 4-cyl its not a great engine.
Its a frankenstein model made by Merc by essentally cutting a V8 in half. However I was told that converting to say a 43L V6 is hardimpossible to do. 4-cylinder engines and the GM 194 230 250 and 292 cid 6-cylinder inline engines used on MerCruiser 110 through 200 models.
Although differing in displacement these engines are essentially the same design with many interchangeable parts. These engines are used with the following MerCruiser models. Model 110 120 120R and120MR-153 cid.
This motor is a 165 hp MerCruiser and can also be used for the 160 hp and 150 hp model applications. Motor has been checked out by a journeyman Marine techn. Start up and test run after service tune and resealingSounds terrific and runs as good as newFreshwater cooled 250 cubic inch engine from 1978 Bertram Mar.
165 HP Mercury Inboard - Gm engine. Discussion in Inboards started by eblackmore Jun 2 2010. Page 1 of 2 1 2 Next Joined.
BUILT by Mercruiser is not an Auto transplant but Is basically Half of the Ford 429460. It utilizes the Ford Big Block Head. The MerCruiser 165 is a 37-liter 165-horsepower engine.
It has six cylinders and an average psi of 150. The gear ratio is 171. Minimum rpm at wide open throttle WOT is 4000.
Maximum WOT is 4600. The spline count is 15. MerCruiser 120 HP 25 4 cylinder GM Chevy Engine Motor for sale.
This engine is in perfect condition as you can see in the video. Compression test 150 160. 1987 165 hp 4 cyl mercruiser - back firing Sure an ignition system can cause your problem.
Do a full tuneup including a compression test set the dwell then the timing also check the plug wires. You may also have a cracked coil tower which would cause a misfire. 1987 165 hp 4 cyl mercruiser -.
The MerCruiser 470 began production in 1976. It was a 37-liter inline four-cylinder engine that produced 170 horsepower a powerful alternative to the 160- and 165-horsepower six-cylinder Mercury engines. The 470 featured a cast aluminum engine block designed by Mercury Marine the name Kiekhaefers company had taken in 1969 and the block was.
You will have a 1891 ratio drive which is geared wrong for the 120140 4 cyl. It will be geared close for the 165 L6 engine and it will be geared wrong for the V6V8 engines. Very little options there.
Buy a rotted boat and swap another 470 in. Or buy a rotted boat with a mercruiser whatever engine and swap everything over. This engine had an aluminum block with cast in iron cylinder sleeves and was created by MerCruiser and cast like Mercury outboard engines.
The cast iron cylinder head was from Fords 460ci V8. The engine suffered from frequent head gasket failures primarily due to the lower head bolt tightening torque allowed by the threads in the aluminum block. The boat has an Offenhauser 165 HP inline 6 cylinder and the oil filter is a Mercuiser 35-866340K01.
I validated that it was the correct filter. Strange though the oil filter is almost twice as long as the modern Mercuiser 35-866340K01 oil filter. There are cross reference sites where you can find other equivalent brands.
165 2 Barrel Mercury 224 I L4 1987 37L 2 Barrel Mercury 224 I L4 1988-1989 488 4 Barrel Mercury 224 I L4 1983-1984 190 4 Barrel Mercury 224 I L4 1985-1986 180 4 Barrel Mercury 224 I L4 1987. Drill down to the horsepower liters or outdrive model serial number range and component section to get an online inventory. CLEAN 1991 GLASTRON 1900 BR.
A 130 hp Mercruiser 30L 4-cylinder engine powers this fiberglass bowrider. Snap-on cover bimini top walk-thru windshield passenger console glove box Pioneer AMFM CD stereo wweather guard gauges including. Tachometer speedometer fuel oil pressure engine temp and voltmeter navigationanchor lights blower bilge pump bow seating w.
How do you change a intake manifold in a 1989 mercruise 46 lx how to set the valves on a 74 mercruiser manual motor chevrolet v8 350 mercruiser 1999 mercruiser 17 diesel manual mercruiser 17dti cam timing mercruiser 17dti manual 2000 74l impeller hose diagram 2008 260 hp manual mercruiser 30l head gasket re install mercruiser 37 manuel.